CN
EN
CN
EN
Tel:
0769-82235552
Menu
Tel:0769-82235552
Home
About Us
Company Profile
Organization
Group Structure
Patent wall
Factory strength
shop exhibition
Activities
Product
LCD
Segment
Character
matrix
TFT
0.96"
1.54"
2.0"
2.4"
2.8"
3.0"
3.5"
4.0"
4.3"
5"
7"
8"
10.1"
Touch
Resistive screen
Capacitive screen
Frame sticker
Full fit
OCA water glue
Special Process
Application
Car products
Automobile instrument
GPS tracker
Car air conditioner display
Car head-up display
Charging pile
Tire pressure monitoring
Industrial Medical
Smart meter
elevator
Industrial equipment
security product
Blood pressure monitor
Oximeter
Electrotherapy
Ventilator
Office appliances
Printer
Coffee machine
Oven
Air Purifier
Bank information
POS machine
Cash register
Fuel dispenser
Healthy exercise
Treadmill
Orbital Abdomen
Spinning bike
Consumer Electronics
Order Machine
Walkie Talkie
Calculator
Digital Clock
Action Camera
Sound System
Smart Wear
other products
3D Glasses
Electric Toothbrush
Technical
One-stop overall design
Touch + cover
Car integrated black
Visible in the sun
Ultra-reliability
Ultra wide temperature
Wide viewing angle
Low power consumption
High contrast
Full color VA silk screen
Gradient
Process
Business Process
Return Process
News
Company News
FAQ
Contact Us
Online Message
Company Map
WeChat Public
Location:
Home
»
Product
»
TFT
»
4.0"
»
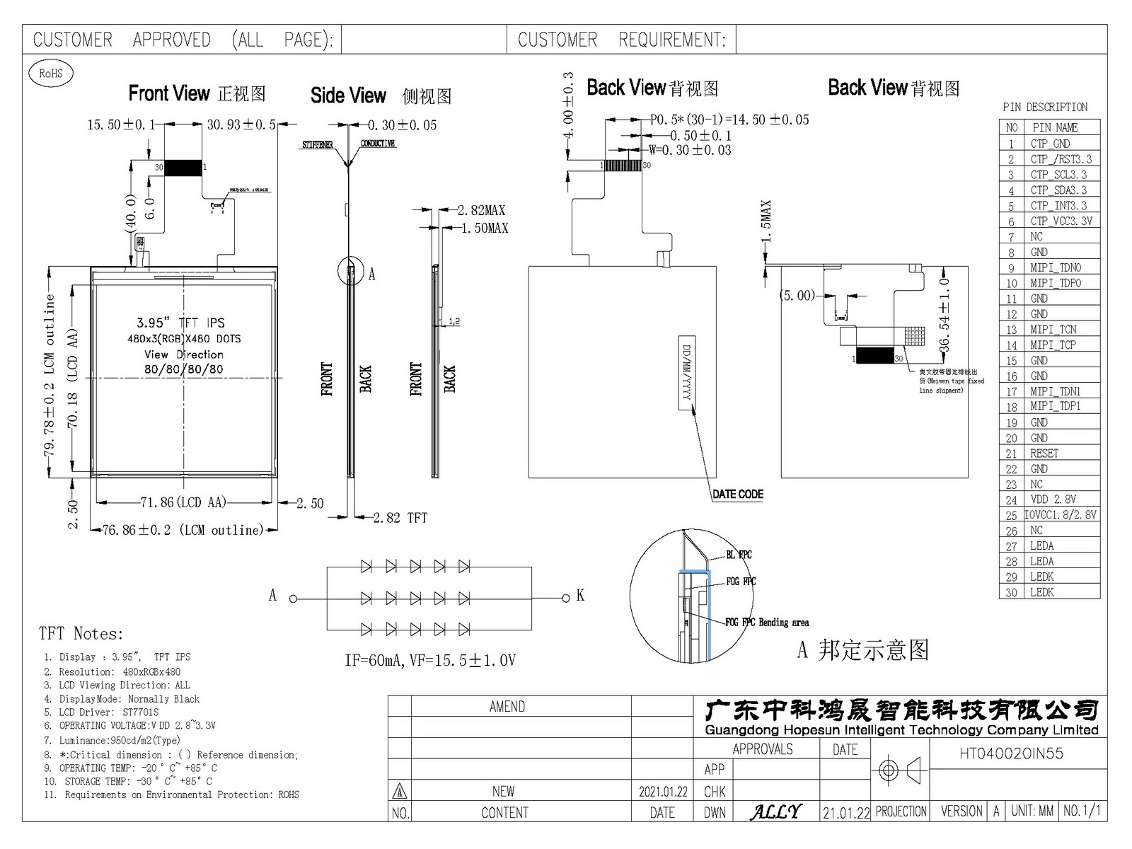
480*480
480*480
LOADING IMAGES
Prev
:Nothing
Next
:Nothing
product recommend
Hot News
Hopesun ,the supplier of BYD Co.,Ltd & Jabil Co.,Ltd
2023-09-07
Visionox Technology Co., Ltd
2023-09-07
Instruction Of Vehicle Head up Display (HUD)
2023-04-21
Notice of 2023 Spring Festival Holiday
2022-12-20
Notice of 2023 New Year's Day Holiday
2022-12-20
The National Day holiday notice
2022-09-24
8.6 billion! Ganzhou Economic and Development Zone hold signing ceremony for investment attraction project of 3rd batch in 2022
2022-05-23
Over scapacity in TFT panel, Large manufacturers may reduce capacity to coping
2022-05-23
Top
Phone
Home
180-3333-8555
0769-82235552